Take a piece of wood, drill 27 holes, insert LEDs, and use a Dymo labeler for the numbers.

Overview

Take a piece of wood, drill 27 5mm holes, insert LEDs, use a Dymo labeler for numbers, wire to a PIC. This project shows how to connect up to 30 LEDs using only six I/O pins.

The DymoClock is a 12-hour clock with 27 LEDs and a 2C resolution thermometer, all driven by a single PIC16F819 microcontroller.

DymoClock back side
DymoClock back side

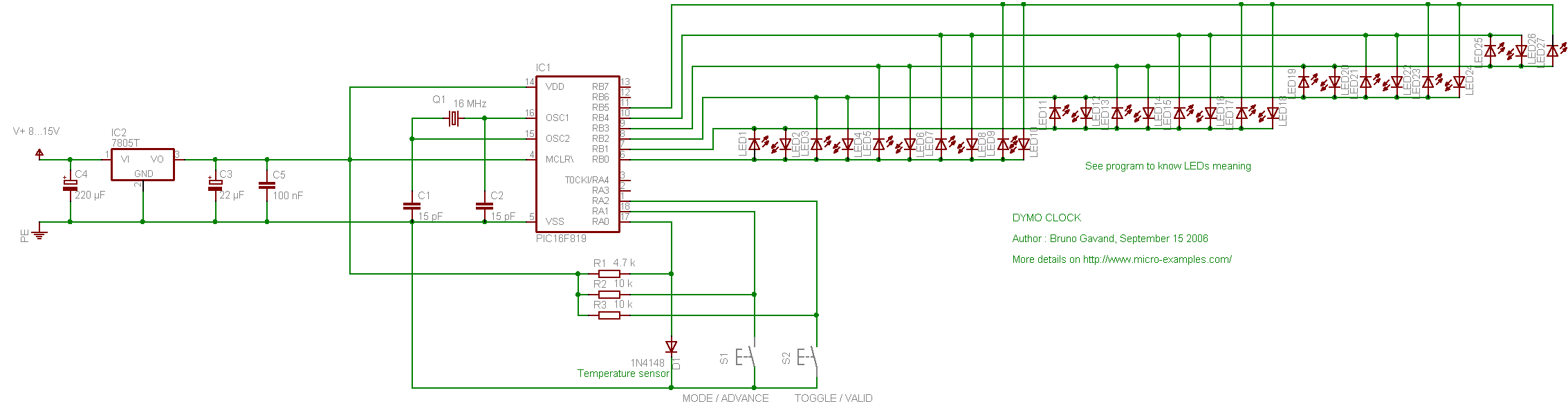
Circuit Schematic

DymoClock circuit schematic
DymoClock circuit schematic

Built around the 18-pin PIC16F819. The LED driving technique comes from Microchip Application Note AN234, using 25 mA LEDs without current limiting resistors. A silicon diode serves as the temperature sensor.

Display Modes

The DymoClock has three display modes:

The MODE button cycles between the three display modes. The TOGGLE button enables auto-switching between modes. Pressing both buttons simultaneously enters the time setting mode.

C Source Code

dymoclock.c
/*
 * file         : dymoclock.c
 * project      : Simple LED clock with thermometer
 * compiler     : mikroC V6.0.0.0
 * date         : september 15, 2006
 *
 * description  :
 *      12 hours clock with 27 LEDs display, 2C resolution thermometer
 *
 * target device :
 *      PIC16F819 with 16 Mhz crystal
 *
 * configuration bits :
 *      HS clock, no watchdog, RA5 as MCLR,
 *      brown out detect, LVP disabled, CCP1 on RB2
 *
 *******************************************************************************
 */

/*
 * display modes
 */
#define MODE_HOURMN     0       // hours:minutes
#define MODE_SS         1       // seconds
#define MODE_TEMP       2       // temperature
#define MAX_MODE        3

/*
 * buttons
 */
#define BUTTON          ((PORTA.F1 == 0) || (PORTA.F2 == 0))
#define BUTTON_MODE     (PORTA.F1 == 0)
#define BUTTON_TOGGLE   (PORTA.F2 == 0)
#define BUTTON_SET      ((PORTA.F1 == 0) && (PORTA.F2 == 0))

#define TEMP_REF        115     // silicon junction offset: 600 mV
#define MAX_TEMP        20      // number of temperature samples

/*
 * LED multiplexing tables
 */
const unsigned char hhTable[] = { 0, 1, 2, 3, 4, 7, 8, 13, 14, 5, 6, 9, 10 } ;

const unsigned char mnTableH[] =
        {
        0, 0, 0, 0, 0,
        15, 15, 15, 15, 15,
        16, 16, 16, 16, 16,
        23, 23, 23, 23, 23,
        24, 24, 24, 24, 24,
        11, 11, 11, 11, 11,
        12, 12, 12, 12, 12,
        17, 17, 17, 17, 17,
        18, 18, 18, 18, 18,
        19, 19, 19, 19, 19,
        20, 20, 20, 20, 20,
        27, 27, 27, 27, 27
        } ;

const unsigned char mnTableL[] =
        {
        0, 22, 21, 25, 26,
        0, 22, 21, 25, 26,
        0, 22, 21, 25, 26,
        0, 22, 21, 25, 26,
        0, 22, 21, 25, 26,
        0, 22, 21, 25, 26,
        0, 22, 21, 25, 26,
        0, 22, 21, 25, 26,
        0, 22, 21, 25, 26,
        0, 22, 21, 25, 26,
        0, 22, 21, 25, 26,
        0, 22, 21, 25, 26
        } ;

unsigned char   mode ;
unsigned char   toggleMode ;
unsigned int    scaler = 0 ;
unsigned char   hh = 1 ;
unsigned char   mn = 1 ;
unsigned char   ss = 0 ;
int             temp ;
unsigned char   tdeg[MAX_TEMP] ;
unsigned char   tidx = 0 ;

/*
 * ISR: called Fosc / 4 / 256 times per second
 */
void    interrupt(void)
        {
        if(INTCON.TMR0IF)
                {
                scaler++ ;
                if(scaler == 15625)
                        {
                        scaler = 0 ;
                        ss++ ;
                        if(ss == 60)
                                {
                                ss = 0 ;
                                mn++ ;
                                if(mn == 60)
                                        {
                                        mn = 0 ;
                                        hh++ ;
                                        if(hh == 13)
                                                {
                                                hh = 1 ;
                                                }
                                        }
                                }
                        }
                INTCON.TMR0IF = 0 ;
                }
        }

/*
 * light LED number n during d milliseconds
 */
void    dymoLight(const unsigned char n, unsigned char d)
        {
        switch(n)
                {
                case  0 : TRISB = 0b11111111 ; PORTB = 0b00000000 ; break ;
                case  1 : TRISB = 0b11111100 ; PORTB = 0b00000001 ; break ;
                case  2 : TRISB = 0b11111100 ; PORTB = 0b00000010 ; break ;
                case  3 : TRISB = 0b11111010 ; PORTB = 0b00000001 ; break ;
                case  4 : TRISB = 0b11111010 ; PORTB = 0b00000100 ; break ;
                case  5 : TRISB = 0b11111001 ; PORTB = 0b00000010 ; break ;
                case  6 : TRISB = 0b11111001 ; PORTB = 0b00000100 ; break ;
                case  7 : TRISB = 0b11110110 ; PORTB = 0b00000001 ; break ;
                case  8 : TRISB = 0b11110110 ; PORTB = 0b00001000 ; break ;
                case  9 : TRISB = 0b11110101 ; PORTB = 0b00000010 ; break ;
                case 10 : TRISB = 0b11110101 ; PORTB = 0b00001000 ; break ;
                case 11 : TRISB = 0b11110011 ; PORTB = 0b00000100 ; break ;
                case 12 : TRISB = 0b11110011 ; PORTB = 0b00001000 ; break ;
                case 13 : TRISB = 0b11101110 ; PORTB = 0b00000001 ; break ;
                case 14 : TRISB = 0b11101110 ; PORTB = 0b00010000 ; break ;
                case 15 : TRISB = 0b11101101 ; PORTB = 0b00000010 ; break ;
                case 16 : TRISB = 0b11101101 ; PORTB = 0b00010000 ; break ;
                case 17 : TRISB = 0b11101011 ; PORTB = 0b00000100 ; break ;
                case 18 : TRISB = 0b11101011 ; PORTB = 0b00010000 ; break ;
                case 19 : TRISB = 0b11100111 ; PORTB = 0b00001000 ; break ;
                case 20 : TRISB = 0b11100111 ; PORTB = 0b00010000 ; break ;
                case 21 : TRISB = 0b11011110 ; PORTB = 0b00000001 ; break ;
                case 22 : TRISB = 0b11011110 ; PORTB = 0b00100000 ; break ;
                case 23 : TRISB = 0b11011101 ; PORTB = 0b00000010 ; break ;
                case 24 : TRISB = 0b11011101 ; PORTB = 0b00100000 ; break ;
                case 25 : TRISB = 0b11011011 ; PORTB = 0b00000100 ; break ;
                case 26 : TRISB = 0b11011011 ; PORTB = 0b00100000 ; break ;
                case 27 : TRISB = 0b11010111 ; PORTB = 0b00001000 ; break ;
                case 28 : TRISB = 0b11010111 ; PORTB = 0b00100000 ; break ;
                case 29 : TRISB = 0b11001111 ; PORTB = 0b00010000 ; break ;
                case 30 : TRISB = 0b11001111 ; PORTB = 0b00100000 ; break ;
                }
        VDelay_ms(d) ;
        }

/*
 * set clock time
 */
void    setTime()
        {
        INTCON.GIE = 0 ;

        hh = 1 ;
        for(;;)
                {
                dymoLight(hhTable[hh], 20) ;
                if(BUTTON_MODE)
                        {
                        VDelay_ms(15) ;
                        while(BUTTON_MODE) ;
                        VDelay_ms(15) ;
                        hh++ ;
                        if(hh > 12) { hh = 1 ; }
                        }
                if(BUTTON_TOGGLE)
                        {
                        VDelay_ms(15) ;
                        while(BUTTON_TOGGLE) ;
                        VDelay_ms(15) ;
                        break ;
                        }
                }

        mn = 1 ;
        for(;;)
                {
                dymoLight(mnTableH[mn], 10) ;
                dymoLight(mnTableL[mn], 10) ;
                if(BUTTON_MODE)
                        {
                        VDelay_ms(15) ;
                        while(BUTTON_MODE) ;
                        VDelay_ms(15) ;
                        mn++ ;
                        if(mn > 59) { mn = 0 ; }
                        }
                if(BUTTON_TOGGLE)
                        {
                        VDelay_ms(15) ;
                        while(BUTTON_TOGGLE) ;
                        VDelay_ms(15) ;
                        break ;
                        }
                }

        ss = 0 ;
        INTCON.GIE = 1 ;
        toggleMode = 0 ;
        mode = MODE_HOURMN ;
        }

/*
 * main entry
 */
void    main()
        {
        unsigned int    loopCtr = 0 ;
        unsigned int    toggleCtr = 0 ;

        ADCON1 = 0b00001110 ;                   // RA0 analog, others digital
        TRISA = 0b11111111 ;
        PORTA = 0 ;
        TRISB = 0xff ;                          // display off

        INTCON.TMR0IF = 0 ;
        INTCON.TMR0IE = 1 ;

        OPTION_REG.T0CS = 0 ;
        OPTION_REG.PS2 = 0 ;
        OPTION_REG.PS1 = 0 ;
        OPTION_REG.PS0 = 0 ;
        OPTION_REG.PSA = 1 ;                    // no prescaler

        setTime() ;

        for(;;)
                {
                loopCtr++ ;
                toggleCtr++ ;

                if(BUTTON)
                        {
                        unsigned char b = 0 ;
                        VDelay_ms(15) ;
                        while(BUTTON)
                                {
                                if(BUTTON_SET)
                                        {
                                        dymoLight(hhTable[0], 1) ;
                                        dymoLight(mnTableH[0], 1) ;
                                        dymoLight(mnTableL[0], 1) ;
                                        VDelay_ms(1000) ;
                                        setTime() ;
                                        break ;
                                        }
                                else if(BUTTON_MODE)  { b = 1 ; }
                                else if(BUTTON_TOGGLE) { b = 2 ; }
                                VDelay_ms(15) ;
                                }

                        if(b == 1)
                                {
                                VDelay_ms(15) ;
                                while(BUTTON_MODE) ;
                                VDelay_ms(15) ;
                                mode++ ;
                                toggleMode = 0 ;
                                if(mode == MAX_MODE) { mode = 0 ; }
                                }
                        else if(b == 2)
                                {
                                VDelay_ms(15) ;
                                while(BUTTON_TOGGLE) ;
                                VDelay_ms(15) ;
                                toggleMode = !toggleMode ;
                                }
                        }

                if(mode == MODE_HOURMN)
                        {
                        dymoLight(hhTable[hh], 5) ;
                        dymoLight(mnTableH[mn], 5) ;
                        dymoLight(mnTableL[mn], 5) ;
                        if(toggleMode && (toggleCtr > 400))
                                { toggleCtr = 0 ; mode = MODE_TEMP ; }
                        }
                else if(mode == MODE_SS)
                        {
                        dymoLight(mnTableH[ss], 5) ;
                        dymoLight(mnTableL[ss], 5) ;
                        }
                else if(mode == MODE_TEMP)
                        {
                        unsigned char i ;
                        if(loopCtr > 20)
                                {
                                loopCtr = 0 ;
                                temp = TEMP_REF - Adc_Read(0) ;
                                temp *= 221 ;
                                temp /= 102 ;
                                temp = 25 + temp ;

                                tdeg[tidx] = temp ;
                                tidx++ ;
                                if(tidx == MAX_TEMP) { tidx = 0 ; }

                                temp = 0 ;
                                for(i = 0 ; i < MAX_TEMP ; i++)
                                        { temp += tdeg[i] ; }
                                temp /= MAX_TEMP ;
                                }

                        if((temp > 0) && (temp < 60))
                                {
                                dymoLight(mnTableL[temp], 5) ;
                                dymoLight(mnTableH[temp], 5) ;
                                }

                        if(toggleMode && (toggleCtr > 200))
                                { toggleCtr = 0 ; mode = MODE_HOURMN ; }
                        }
                }
        }

Note

No separate project ZIP file was provided for this project. The source code above is the complete mikroC program — copy and paste it into your mikroC IDE to build the project.

User Builds

The DymoClock project inspired several community builds and variations:

Lubo_plan's DymoClock

A faithful reproduction of the original design:

Lubo_plan's DymoClock, front view
Lubo_plan's DymoClock, front view
Lubo_plan's DymoClock, back side
Lubo_plan's DymoClock, back side
Lubo_plan's DymoClock, final version
Lubo_plan's DymoClock, final version

Gerard's Binary Clock

A creative twist using a blue-white-red binary display format:

Gerard's binary clock variation
Gerard's binary clock variation